Physical electronics devices and ics miscellaneous


Physical electronics devices and ics miscellaneous

Physical Electronics Devices and ICs

  1. In the circuit shown below V1 = 2·7 V, VBE = 0·7 V and β >> 1. The gm of the transistor is—











  1. View Hint View Answer Discuss in Forum

    The given circuit (i.e., fig)
    Given, V1 = 2·7 V, VBE = 0·7 V and β >> 1 means IB ≈ OA
    Applying KVL to the input section, we get
    V1 – VBE – IC · 200 = 0
    or 2·7 – 0·7 – IC · 200 = 0

    or IC =
    2
    A
    200

    Now, gm =IC=
    2/200 A
    = 400 mA/ V
    VT25 mV

    or gm = 400 m mho
    Hence alternative (B) is the correct choice.


    Correct Option: B

    The given circuit (i.e., fig)
    Given, V1 = 2·7 V, VBE = 0·7 V and β >> 1 means IB ≈ OA
    Applying KVL to the input section, we get
    V1 – VBE – IC · 200 = 0
    or 2·7 – 0·7 – IC · 200 = 0

    or IC =
    2
    A
    200

    Now, gm =IC=
    2/200 A
    = 400 mA/ V
    VT25 mV

    or gm = 400 m mho
    Hence alternative (B) is the correct choice.



  1. The two transistors in figure are identical. If β = 25, the current Ic2 is—











  1. View Hint View Answer Discuss in Forum

    The given figure (i.e., fig)
    From figure Iref = 25 µA
    Since both the transisors are identical
    Therefore IB1 = IB2 = IB & VBE1 = VBE2 = VBE
    Now, Iref = IB1 + IC1 + IB2 = IB + βIB + IB = (β + 2) IB

    and IC2 = βIB2 = BIB1 = βIB =
    β·Iref
    (β + 2)

    or IC2 = 25·
    25 µA
    = 23·2 µA
    (25 + 2)

    Hence alternative (B) is the correct choice.


    Correct Option: B

    The given figure (i.e., fig)
    From figure Iref = 25 µA
    Since both the transisors are identical
    Therefore IB1 = IB2 = IB & VBE1 = VBE2 = VBE
    Now, Iref = IB1 + IC1 + IB2 = IB + βIB + IB = (β + 2) IB

    and IC2 = βIB2 = BIB1 = βIB =
    β·Iref
    (β + 2)

    or IC2 = 25·
    25 µA
    = 23·2 µA
    (25 + 2)

    Hence alternative (B) is the correct choice.




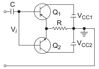
  1. In the circuit shown below during the negative cycle, the input signal—











  1. View Hint View Answer Discuss in Forum

    The given circuit (i.e., fig)
    From given circuit, we observe that transistor Q1 is pnp type while Q2 is npn type. So, during the negative cycle of the input signal, transistor Q1 will conduct while Q2 will not conduct i.e., Q2 is cut-off mode. Hence alternative (B) is the correct choice.


    Correct Option: B

    The given circuit (i.e., fig)
    From given circuit, we observe that transistor Q1 is pnp type while Q2 is npn type. So, during the negative cycle of the input signal, transistor Q1 will conduct while Q2 will not conduct i.e., Q2 is cut-off mode. Hence alternative (B) is the correct choice.



  1. Match List-I (Devices) with List-II (Characteristic) and select the correct answer using the code given below the lists:
    List-I
    (a) BJT
    (b) MOSFET
    (c) Tunnel diode
    (d) Zener diode
    List-II
    1. Voltage controlled negative resistance
    2. High current gain
    3. Voltage regulation
    4. High input impedance Codes:









  1. View Hint View Answer Discuss in Forum

    ● BJT → High current gain
    ● MOSFET → High input impedance
    ● Tunnel diode → Voltage controlled negative resistance
    ● Zener diode → Voltage regulation

    Correct Option: C

    ● BJT → High current gain
    ● MOSFET → High input impedance
    ● Tunnel diode → Voltage controlled negative resistance
    ● Zener diode → Voltage regulation



  1. The fT of a BJT is related to its gm, Cπ and Cµ as—









  1. View Hint View Answer Discuss in Forum

    The unity-gain bandwidth frequency of a BJT is related to its gm, Cπ and Cµ by relation

    fT =
    gm
    2 (Cπ + Cµ)

    Correct Option: C

    The unity-gain bandwidth frequency of a BJT is related to its gm, Cπ and Cµ by relation

    fT =
    gm
    2 (Cπ + Cµ)