Physical electronics devices and ics miscellaneous
- The operation of a JEFT involves—
-
View Hint View Answer Discuss in Forum
The operation of a junction field effect transistor involves a flow of majority carriers.
Correct Option: B
The operation of a junction field effect transistor involves a flow of majority carriers.
- A Field-Effect Transistor (FET)—
-
View Hint View Answer Discuss in Forum
The field-effect transistor (FET) operation depends on the variation of the depletion-layer width with reverse voltage, for its operation.
Correct Option: D
The field-effect transistor (FET) operation depends on the variation of the depletion-layer width with reverse voltage, for its operation.
- When a positive voltage signal is applied to the base of a normally biased NPN common-emitter transistor amplifier—
-
View Hint View Answer Discuss in Forum
NA
Correct Option: B
NA
- A transistor is said to be in a quiescent state when—
-
View Hint View Answer Discuss in Forum
A transistor is said to be quiescent state when no signal is applied to the input.
Correct Option: A
A transistor is said to be quiescent state when no signal is applied to the input.
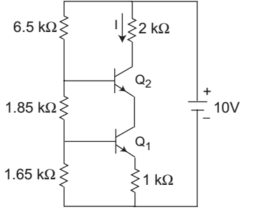
- If the transistors in figure have high values of β and a VBE of 0.65V, the current I flowing through the 2 kΩ resistance will be—
-
View Hint View Answer Discuss in Forum
For DC current
IE2 ≈ IE1
or IC2 ≈ IC1
Neglecting IB1 which will be very small, β being very high, the base voltage of Q1 isVB1 = VCC (by using potential divider method) (1.65 kΩ) 6.5 kΩ + 1.85 kΩ + 1.65 kΩ = 10 × 1.65 = 1.65 V IE1 10 = VB1 – VBE = = (1.65 – .65) V mA. 1 kΩ 1 kΩ 
The current flowing through the 2 kΩ resistor is 1 mA.
Since IC2 ≈ IC1.
Hecne alternative (A) is the correct answer.Correct Option: A
For DC current
IE2 ≈ IE1
or IC2 ≈ IC1
Neglecting IB1 which will be very small, β being very high, the base voltage of Q1 isVB1 = VCC (by using potential divider method) (1.65 kΩ) 6.5 kΩ + 1.85 kΩ + 1.65 kΩ = 10 × 1.65 = 1.65 V IE1 10 = VB1 – VBE = = (1.65 – .65) V mA. 1 kΩ 1 kΩ 
The current flowing through the 2 kΩ resistor is 1 mA.
Since IC2 ≈ IC1.
Hecne alternative (A) is the correct answer.