Physical electronics devices and ics miscellaneous
- Assume that D1 and D2 in figure are ideal iodes. The value of current is—
-
View Hint View Answer Discuss in Forum
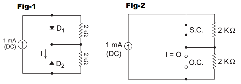
The given circuit
The equivalent circuit for given conditions can be redrawn as
Diode D1 becomes forward biased due to short circuit and D2 becomes reverse biased due to open circuit which makes I = OmA.
Hence alternative (A) is the correct choice.
Correct Option: A
The given circuit
The equivalent circuit for given conditions can be redrawn as
Diode D1 becomes forward biased due to short circuit and D2 becomes reverse biased due to open circuit which makes I = OmA.
Hence alternative (A) is the correct choice.
- Assuming that the diodes are ideal in figure, the current in diode D1 is—
-
View Hint View Answer Discuss in Forum
The given circuit
From the given circuit, we conclude that diode D2 remains ‘ON’. Now, if we assume diode D1 is ‘ON’ then the above circuit can be modified as
It makes the voltage between terminal A & B equals to OV., which is not possible because it violates the Kirchoff’s law. Therefore the current in diode D1 is OmA.
Hence alternative (C) is the correct choice.
Correct Option: C
The given circuit
From the given circuit, we conclude that diode D2 remains ‘ON’. Now, if we assume diode D1 is ‘ON’ then the above circuit can be modified as
It makes the voltage between terminal A & B equals to OV., which is not possible because it violates the Kirchoff’s law. Therefore the current in diode D1 is OmA.
Hence alternative (C) is the correct choice.
- Two p-n junction diodes are connected back to back to make a transistor. Which one of the following is correct?
-
View Hint View Answer Discuss in Forum
Two p-n junction diodes are connected back to back cannot be used as a transistor due to large base width. Although, it is said that a transistor is a device in which two pn-junctions diodes are connected back-to-back. But it does not mean that two discrete diodes connected back-to-back can work as a transistor. In this case, each diode has two equally doped regions, so that the overall circuit has four equally doped regions. Given below shows the arrangement of two diodes
connected back-to-back. This would not work because in this case base is wide and equally doped whereas in actual transistor base is very thin and lightly doped.
In n-p-n transistor, the free electrons passing through the base to the collector have a short life time. As long as base thin, the free electrons can reach the collector. But is case two discrete back-to-back diodes, there are four doped region instead of three. Hence two diodes connected back-to-back can never work as a transistor.
Correct Option: C
Two p-n junction diodes are connected back to back cannot be used as a transistor due to large base width. Although, it is said that a transistor is a device in which two pn-junctions diodes are connected back-to-back. But it does not mean that two discrete diodes connected back-to-back can work as a transistor. In this case, each diode has two equally doped regions, so that the overall circuit has four equally doped regions. Given below shows the arrangement of two diodes
connected back-to-back. This would not work because in this case base is wide and equally doped whereas in actual transistor base is very thin and lightly doped.
In n-p-n transistor, the free electrons passing through the base to the collector have a short life time. As long as base thin, the free electrons can reach the collector. But is case two discrete back-to-back diodes, there are four doped region instead of three. Hence two diodes connected back-to-back can never work as a transistor.
- Why is an external pass resistor used in a voltage regulation?
-
View Hint View Answer Discuss in Forum
External pass resistor is also called current limiting resistor .
External pass resistor for increasing the current that regulator can handle.
Correct Option: B
External pass resistor is also called current limiting resistor .
External pass resistor for increasing the current that regulator can handle.
- The reverse saturation current of a Si-based p-n junction diode increases 32 times due to a rise in ambient temperature. If the original temperature was 40°C, what is the final temperature?
-
View Hint View Answer Discuss in Forum
We know that
I'0 = I0 2 
Tf – Ti 
2 32I0 = I0 2 
Tf – 40 
10 or 32 = 2 
Tf – 40 
10 or 25 = 2 
Tf – 40 
10 or 5 = Tf – 40 10
or Tf = 90°C
Hence alternative (A) is the correct choice.Correct Option: A
We know that
I'0 = I0 2 
Tf – Ti 
2 32I0 = I0 2 
Tf – 40 
10 or 32 = 2 
Tf – 40 
10 or 25 = 2 
Tf – 40 
10 or 5 = Tf – 40 10
or Tf = 90°C
Hence alternative (A) is the correct choice.