-
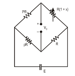
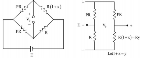
An unbalaced DC Wheatstone bridge is shown in the figure. At what value of p will the magnitude of V0 be maximum?

-
- √1 + x
- (1 + x)
- 1/√(1 + x)
- √(1 - x)
Correct Option: A

| V0(-) = | = | ||
| R + PR | 1 + P |
| V0(+) = | E.= | ![]() | ![]() | E | ||
| Ry + PR | p + y |
| V0 = V0(+) - V0(-) = | ![]() | + | ![]() | E = 0 | ||
| (p + y)² | (1 + p)² |
| = | |||
| (1 + p)² | (1 + p)² |
| = | |||
| 1 + p | 1 + p |
⇒ p + y = √y + p√y
p(1 - √y) = √y - y
= √y[1 - √y]
p = + √y
= +√1 + x



