- 
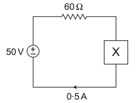
					 The power absorbed by the unknown element X in the circuit shown below is—  
- 
                        -  25W 
 
-  10W 
 
-  15W 
 
- None of these
 
-  25W 
Correct Option: B
The given circuit 
Voltage drop across 60Ω resistance = 0·5 × 60 = 30V 
So, the voltage drop across unknown element 
X = 50V – 30V = 20V 
Now, power absorbed by unknown element, 
X = 20 × 0·5 = 10W. 
 
	