Home » Network Theory » Network theory miscellaneous » Question
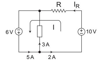
  1. For the circuit shown below, calculate R—


    1. 2Ω
    2. 4Ω
    3. 6Ω
    4. 8Ω
Correct Option: D

The given circuit

Applying KVL in the above circuit
10 – IR × R + 6 = 0
or
10 – 2 × R + 6 = 0
or
2R = 16 or R = 8Ω.



Your comments will be displayed only after manual approval.