Download
App
Academic Resource
Aptitude
Data Interpretation
Verbal Reasoning
Non Verbal Reasoning
Verbal Ability
Programming
General Knowledge
Puzzle
Engineering
Computer Engineering
Electronics and Communication
Electrical Engineering
Mechanical Engineering
Civil Engineering
Biotechnology
Architecture & Planning
Online Test
Aptitude Test
Data Interpretation Test
Verbal Reasoning Test
Non Verbal Reasoning Test
Verbal Ability Test
Exams
More
Full Forms
हिंदी
Home
»
Electrical and Electronics Measurements
»
Electrical and electronics measurements miscellaneous
» Question
Electrical and electronics measurements miscellaneous
Easy Questions
Moderate Questions
Difficult Questions
Electrical and Electronics Measurements
Electrical and electronics measurements miscellaneous
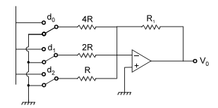
A 3-bit weighted resistor DAC shown in the figure has V
R
= 2V and R
1
/R = 2. For an input of 100, the output will be
– 2 V
– 4 V
2 V
4 V
Correct Option:
D
I
0
=
2
R
and
E
0
=
2
× R
1
= 2 × 2 = 4V.
R
Previous Question
Next Question
Your comments will be displayed only after manual approval.
Post your Comment