- 
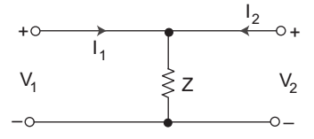
					 The ABCD parameters of the 2-port network, shown in the figure are—  
Correct Option: A
The standard equation for ABCD parameters are 
V1 = AV2 – BI2 (i) 
I1 = CV2 – DI2 (ii) 
From given figure 
V1 = Z (I1 + I2) (iii) 
and 
V1 = V2 (iv) 
Equation (iii) may be arranged as 
| I1 = | – I2 = | – I2 (V1 = V2) | ||
| Z | Z | 
on comparing equation (iv) and (v) with eq. (i) and (ii) we get
A = 1
B = 0
C = 1/2
D = 1
 
					                    					



 
	