Download
App
Academic Resource
Aptitude
Data Interpretation
Verbal Reasoning
Non Verbal Reasoning
Verbal Ability
Programming
General Knowledge
Puzzle
Engineering
Computer Engineering
Electronics and Communication
Electrical Engineering
Mechanical Engineering
Civil Engineering
Biotechnology
Architecture & Planning
Online Test
Aptitude Test
Data Interpretation Test
Verbal Reasoning Test
Non Verbal Reasoning Test
Verbal Ability Test
Exams
More
Full Forms
हिंदी
Home
»
Physical Electronics Devices and ICs
»
Physical electronics devices and ics miscellaneous
» Question
Physical electronics devices and ics miscellaneous
Easy Questions
Physical Electronics Devices and ICs
Physical electronics devices and ics miscellaneous
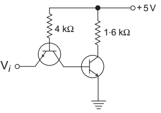
A TTL NOT gate circuit is shown below. Assuming V
BE
= 0·7 V of both the transistors, if V
i
= 3 V, then the states of the two transistors will be—
Q
1
ON and Q
2
OFF
Q
1
reverse ON and Q
2
OFF
Q
1
reverse ON and Q
2
ON
Q
1
OFF and Q
2
reverse ON
Correct Option:
C
NA
Previous Question
Next Question
Your comments will be displayed only after manual approval.
Post your Comment